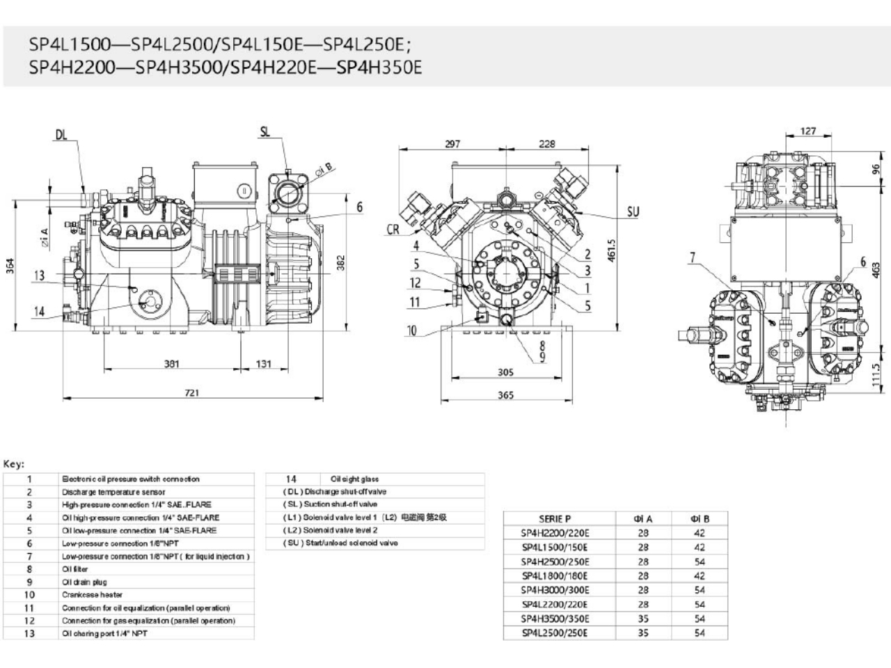
Product Model
Details
Motor Size
Displacement (m3/h )
Electrical Charecteristics
Service Valves
Additional Info
Lubrication
Competitors
Comparison
Bitzer
4FE-35Y
4F35.2
Bock
HGX56e-1155-4S
Frascold
V35-103Y
V35-103Y
Dorin
Copeland



